Каминная топка Kratki Lucy/PW/12/W
	 Каминная топка с водяным контуром Kratki Lucy/PW/12/W оснащена змеевиком и теплообменником, что позволяет отапливать пространство вне зоны установки устройства. Камин подключается к системе отопления, которая осуществляет доставку воды или иной жидкости к конечным источникам тепла. Материалом для растапливания очага служат дрова или угольные брикеты.
Максимальное использование энергии
- Корпус и передняя стенка топки выдерживают воздействие высоких температур благодаря используемому материалу - высококачественной стали.
- Специальная система водяного контура позволяет получить из дымовых газов и передать в нагревательную систему большое количество тепла, благодаря чему можно получить высокую энергетическую мощность топки.
- Встроенный змеевик. Корпус водяного контура обеспечен штифтами. Входной/выходной разъем 1/2.
- Эффективное сгорание и дольше содержания температуры благодаря облицовке камеры сгорания TERMOTEC - теплонакопительное материалом, что повышает температуру в камере.
- Система двух дефлекторов, которые удлиняют время прохождения дымовых газов, сгорание является очень экологичным.
- Подача воздуха происходит только извне с помощью встроенного подвода воздуха ø 125 мм. Регулирование подвода воздуха с помощью одного регулятора, что исключает ошибки при неправильном использовании.
- Тройная система вентиляции камеры сгорания: первичный воздух - подается под рушт; вторичный воздух подается через отверстия в задней стенке. Также в топке применяется система чистого стекла (воздушная завеса).
Безопасность на высшем уровне
- Совершенная герметичность обеспечивается прочными сварными швами в закрытой камере сгорания.
- Стальные элементы вырезаются лазером с помощью современного оборудования, а затем гнутся на машинах для сгибания CNC.
- Передняя часть топки выложена жаростойкой керамикой, которая выдерживает температуру до 660 °C.
Экологическое сгорание
- Устройство соответствует требованиям Екопроекта и стандарта BImSchV 2, определяя максимальные выбросы CO.
Комфортное пользование
- Съемная решётка и контейнер для золы позволяют легко сохранять топку в чистоте.
- Специальная перфорированная конструкция ручки защищает от чрезмерного нагрева, влияет на высокий комфорт пользования камином.
- Ограничение налипания копоти благодаря системе чистого стекла (дефлектор воздуха).
- Можно применять при различных монтажных условиях благодаря регулируемым ножкам и подвижному дымоходному отверстию с регулировкой установки 360°.
Современный дизайн
- Декоративная стеклянная панель типа glass, которая выдерживает температуру до 660 °C и предоставляет камину современного и элегантного вида, оптически увеличивает переднюю часть топки.
- Элегантная и удобная ручка.
- Производитель kratki
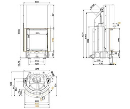
- Диаметр дымохода, (мм) 200
- КПД, (%) 82
- Максимальная длина дров, (мм) 500
- Материал корпуса: Сталь
- Материал топки: Нержавеющая сталь
- Тип камина: Встраиваемый
- Теплообменник: Да
- Цвет: Чёрный
- Обогреватель: Да
- Тип управления: Механический
- Масса, (кг): 215
- Наличие зольника: Да
- Гарантия, (лет): 5
- Водяной контур: Да
- Стекло: В комплекте
- Ширина, (мм): 676
- Глубина, (мм): 407
- Высота, (мм): 1384
- Габаритные размеры ШxГxВ, (мм): 676x407x1384
- Мощность (кВт): 12
- Страна производства Польша
- Модель: Lucy/PW/12/W
Стоит ли покупать биокамин Каминная топка Kratki Lucy/PW/12/W
 
								 
                    доставка осуществляется за наш счёт.
 
                Мы сотрудничаем с транспортными компаниями:








Доставка по Нальчик
                    При заказе от 50 000 рублей и предоплате 100% доставка осуществляется бесплатно
                    
                    Срок доставки 1-3 дня
                
Самовывоз по Нальчику
Самовывоз осуществляется по адресу:
 г. Нальчик, Кузнечный пер., 5
Перед приездом просим Вас заранее нам позвонить по телефону +7-800-100-10-78, что бы мы успели подготовить Ваш заказ.
После выбора товара нажмите кнопку «В корзину» – товар добавится в вашу корзину.
                                            Далее, если вы закончили выбирать товар, нажмите кнопку «Ваша корзина».
                                            На странице «Ваша корзина» будут перечислены все выбранные вами товары.
                                            В поле «Количество» вы можете изменить количество товара для покупки. После изменения количества товара необходимо
нажать кнопку «Пересчитать» для пересчета итоговой суммы заказа.
                                            В колонке «Действия» над каждым товаром можно произвести следующие действия: либо удалить товар из корзины, либо
 товар на будущее.
                                        Также можно ввести код скидки в соответствующее поле.
После ввода необходимой информации о доставке товара (ФИО получателя, адрес доставки, контактные данные, вариант
 доставки, способ оплаты и т.д.) для оформления заказа вам нужно нажать кнопку «Оформить заказ».
Копия заказа будет выслана на ваш e-mail, указанный при оформлении заказа.
Внимание! Неправильно указанный номер телефона, неточный или неполный адрес могут привести к дополнительной
 задержке! Пожалуйста, внимательно проверяйте ваши персональные данные при регистрации и оформлении заказа.
Через некоторое время (обычно в течение часа) после оформления покупки, с вами свяжется наш менеджер по контактным
 данным, указанным при оформлении заказа. С менеджером можно будет согласовать точное время и сроки доставки, а также
 уточнить детали.
Примечание: Для постоянных клиентов на сайте магазина предусмотрена возможность регистрации. В своем кабинете вы
 можете просмотреть содержимое корзины, историю своих заказов, а также повторить или отказаться от заказа, подписаться на
 рассылку новостей магазина.
Цены, указанные на сайте, являются окончательными и не требуют доплат при стандартных условиях поставки. Все налоги
 включены в стоимость товара.
Внимание! Для каждого отдельного заказа возможен только один способ оплаты на ваш выбор. Оплата заказа по частям
 различными способами невозможна.
Возможные способы оплаты
Наличный расчет
Оплата производится наличными курьеру или в магазине при самовывозе. Вместе с товаром передается товарный и кассовый чеки, а также гарантийный талон
Безналичный расчет
Оплата производится наличными курьеру или в магазине при самовывозе. Вместе с товаром передается товарный и кассовый чеки, а также гарантийный талон
Индивидуальное проектирование 
	 и изготовление 
 на собственном производстве
	из металла, стекла, камня
 Подробнее
 Подробнее Почему нам доверяют
Мы можем гарантировать высокое качество наших биокаминов, поскольку самостоятельно производим все модели и тщательно контролируем каждый этап. Наши камины - безопасны и надежны, они станут отличным дополнением любой комнаты благодаря привлекательному внешнему виду и создадут неповторимую атмосферу уюта.
Создадим для Вас собственный, уникальный проект, который будет в единичном экземпляре и по своему уникальный! Мы всегда учитываем пожелания наших клиентов и трепетно относимся к каждой мелочи в заказе!
Осуществляется транспортными компаниями по вашему адресу "до двери" на основании данных о весе, объеме и расстоянии до Вашего города по расценкам перевозчика. При сумме заказа больше 50 000 рублей и 100% предоплате, доставка осуществляется бесплатно.
Мы всегда за то, чтобы к моменту оформления заказа Вы были уверены в том, что наш продукт подходит Вам на 100%! Поэтому, всегда готовы бесплатно предоставить услуги замерщика!
Помощь дизайнеров с многолетним опытом работы сделает ваш камин не только функциональным и безопасным, но и уникальным! Он красиво встроиться в интерьер и будет радовать вас и ваших близких долгие годы!
Возможен любой способ оплаты (наличными, безналично, картой). Возможно оформление рассрочки и кредита on-line.
Все порталы и топливные блоки изготовлены из высококачественных металлов на современном оборудовании с вниманием к деталям, что позволяет нам давать гарантию на корпус камина 10 лет.
Вопросы и ответы
- установка дровяного камина довольно сложна и занимает много времени сама по себе, не говоря уже о попытке вписать такой камин в готовый интерьер; - устройству дымохода следует уделить особое внимание, так как при ошибках в конструкции камин может начать дымить внутрь помещения; - необходимость установки дымохода сильно усложняет процесс размещения камина в городской квартире, особенно, если квартира располагается не на последнем этаже; - необходимо заранее продумать, где будут храниться дрова; - нужно помнить, что при использовании для топки дров потребуется постоянная чистка дымохода от золы;
Очистить зольную камеру камина до разжигания огня. Положить на колосники смятую бумагу, поверх положить сухие щепки, поджечь. Когда разгорятся щепки и наберется достаточно жара нужно уложить друг на друга дрова, крест на крест, по всей площади колосниковой решетки камина. Подкладывать следующую порцию дров в камин необходимо только после того, как ранее заложенные почти прогорят. Не ворошить горящие угли. Любой камин необходимо чистить раз в год, а также проводить ревизию и чистку дымохода. Делается это по окончании отопительного сезона. - Каковы тенденции современного рынка каминов? В последние 10 лет все более растущей популярностью пользуются небольшие, отдельно стоящие камины, являющиеся элементами интерьера, а не огромные сакральные сооружения для которых должен формироваться весь интерьер. Популярность таких каминов обусловлена оригинальностью дизайнерских решений, стоимостью, удобством в эксплуатации, и простотой монтажа. Установка таких каминов не требует создания стройплощадки в помещении со всеми вытекающими из этого неудобствами, они просто подключаются в заложенный в стене дымоход, если он, конечно же, там есть.
Такая печь нужна для того, чтобы отвести часть тепла из помещения, где стоит печь в те комнаты, где тепла не хватает. Очень неплохо такая печь работает совместно с существующей системой отопления, куда она будет сбрасывать излишки тепла, экономя солярку, электроэнергию или газ. Лучше всего себя показывает такая связка: печь или топка с водяным контуром + электрокотел с ночным тарифом на электроэнергию ночью на дешевой электроэнергии работает котел, а днем, можно потопить печку. Если в связку добавить еще GSM контроллер, то управляя электрокотлом дистанционно, Вы сможете поддерживать в доме нужную Вам температуру в свое отсутствие и прогревать дом к своему приезду.
Они различаются по типу используемого топлива, расположению в доме, а также по стилю исполнения. Выделяются следующие типы: Печь-камин; Печь-камин с водяным контуром (с возможностью подключения к отопительной системе); Камин уличный (устойчив к перепадам погоды, используется для ландшафтного дизайна); Камин-барбекю (уличный камин с возможностью приготовления пищи); Декоративный (используется исключительно в дизайнерских целях).
Выбирая материал для облицовки камина, следует уделить внимание нескольким факторам: 1. Во-первых, перед тем как приобретать агрегат, сразу нужно определиться с топочным материалом. Если она выполнена из дерева, то достаточно будет того, чтобы облицовка выдерживала 900°. Если будет использоваться твердое топливо, то нужно отдавать предпочтение материалу, выдерживающему температуру до 1200°. 2. Также следует определиться с местом расположения. Если у вас камин декоративный, который устанавливается в хорошо отапливаемом помещении, то с материалом можно не заморачиваться, т.к. подойдет любой. Если вы собираетесь установить камин, например, на летней веранде, то здесь следует выбирать такую облицовку, которая будет устойчива к морозам. 3. Еще один важный критерий выбора — это влагоустойчивость. При необогреваемом помещении, особенно важно, чтобы этот показатель был высоким. Если не соблюдать этот критерий, то очень скоро облицовка начнет отслаиваться и трескаться. 4. Также на выбор облицовочного материала оказывает влияние масса конструкции, которая в свою очередь зависит от места размещения агрегата. Если камин будет располагаться в частном доме на первом этаже, то на помощь может прийти дополнительный фундамент. В случае, если вы планируете устанавливать его на втором этаж, то здесь вес играет очень большую роль, поскольку перекрытие может попросту не выдержать большого веса каминной установки.
 
										Азаров Алексей
Почему нам доверяют
Мы можем гарантировать высокое качество наших биокаминов, поскольку самостоятельно производим все модели и тщательно контролируем каждый этап. Наши камины - безопасны и надежны, они станут отличным дополнением любой комнаты благодаря привлекательному внешнему виду и создадут неповторимую атмосферу уюта.
Создадим для Вас собственный, уникальный проект, который будет в единичном экземпляре и по своему уникальный! Мы всегда учитываем пожелания наших клиентов и трепетно относимся к каждой мелочи в заказе!
Осуществляется транспортными компаниями по вашему адресу "до двери" на основании данных о весе, объеме и расстоянии до Вашего города по расценкам перевозчика. При сумме заказа больше 50 000 рублей и 100% предоплате, доставка осуществляется бесплатно.
Мы всегда за то, чтобы к моменту оформления заказа Вы были уверены в том, что наш продукт подходит Вам на 100%! Поэтому, всегда готовы бесплатно предоставить услуги замерщика!
Помощь дизайнеров с многолетним опытом работы сделает ваш камин не только функциональным и безопасным, но и уникальным! Он красиво встроиться в интерьер и будет радовать вас и ваших близких долгие годы!
Возможен любой способ оплаты (наличными, безналично, картой). Возможно оформление рассрочки и кредита on-line.
Все порталы и топливные блоки изготовлены из высококачественных металлов на современном оборудовании с вниманием к деталям, что позволяет нам давать гарантию на корпус камина 10 лет.
Индивидуальное проектирование 
	 и изготовление 
 на собственном производстве
	из металла, стекла, камня
 Подробнее
 Подробнее Товар представлен
 в категориях
					Эта модель представлена в разделах
Ранее вы смотрели
 
        Для всех регионов РФ
 
                    
 
						 
						 
						 
						 
						 
						 
						 
						 
						 
						 
						 
						 
						 
						 
						 
						 
						 
						 
						 
						 
						 
												 
												 
                                         
                                         Скачать чертеж
 Скачать чертеж
				 
				 
				 
				 
				 
				 
				 
				 
				 
				 
				 
				 
				 
				 
				

 
						 
						 
				 
				 
				 
				 
				 
				 
				 
				 
				 
				 
				 
				 
				 
				 
				 
				 
				 
				 
				 
				 
				 
				 
				 
				 
				 
							 
							 
							 
							 
                                     
                                     
                                     
                                     
                                     
                                     
                                     
                                     
                                     
                                     
                                     
                                     
                                     
                                     
                                     
                                     
                                     
                                     
                                     
                                     
                                     
                                     
                                     
                                     
                                     
                                     
                                     
                                    